关于我们
产品介绍
DOT系列
英吋管外徑
公制管外径
插心系列
直接头
弯头
三通
管牙系列
直接头
弯头
三通
四通
五通
铜珠套管系列
直接头
弯头
三通
喇叭系列
直接头
弯头
三通
AN接头
液压与空油压接头&油管接头
JIC 37° 扩口接头
其他阀接头与阀门系列
尼龙管飞速系列
直接头
弯头
三通
OEM接頭
事业介绍
锻造制程
加工(大量)
加工(小量)
品管
组装
自动仓储
最新消息
档案下载
證書
联络我们
EN
繁中
簡中
EN
|
繁中
|
簡中
EMAIL
精实生产
×
产品搜寻
送出
首页
產品介紹
喇叭系列
直接头
外牙內喇叭接頭
外牙內喇叭接頭
规格
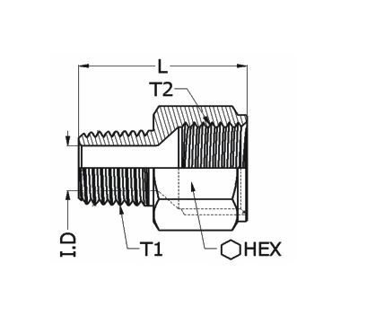
H10 外牙內喇叭接頭 Male Pipe Thread to Female Flared Connector
產品編號
管牙 T1
直牙 T2
L
HEX
I.D
Part No.
PipeThread T1
Thread T2
H10-C102
1/8
7/16-20
21
14
6
H10-C202
1/4
7/16-20
24
14
6
H10-C302
3/8
7/16-20
24
17
6
相关产品
螺帽蓋
由任接頭
內牙接頭
螺帽
外牙接頭
卓越技術與高精密生產,完美工藝設計與製造
联络我们