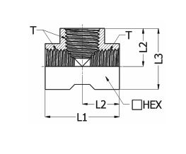
內牙三通
A09 內牙三通 Union Tee
| 產品編號 | 管牙 T | L1 | L2 | L3 | HEX |
| Part No. | Pipe Thread T | ||||
| A09-F1 | 1/8 | 26 | 13 | 20 | 14 |
| A09-F2 | 1/4 | 30 | 15 | 24 | 17.5 |
| A09-F3 | 3/8 | 40 | 20 | 30 | 21 |
| A09-F4 | 1/2 | 50 | 25 | 37.5 | 25 |
| 產品編號 | 管牙 T | L1 | L2 | L3 | HEX |
| Part No. | Pipe Thread T | ||||
| A09-S1 | 1/8 | 20 | 13.5 | 27 | 14 |
| A09-S2 | 1/4 | 29 | 14.5 | 23 | 18 |
| A09-S3 | 3/8 | 25 | 15.5 | 28 | 21 |
| A09-S4 | 3/8 | 43 | 21.5 | 34.2 | 24.5 |